Многогранная опора АМ110-1

Наличие

Есть

Доставка

По России и СНГ

Оплата

Безналичный расчет

Цена

По запросу

Описание

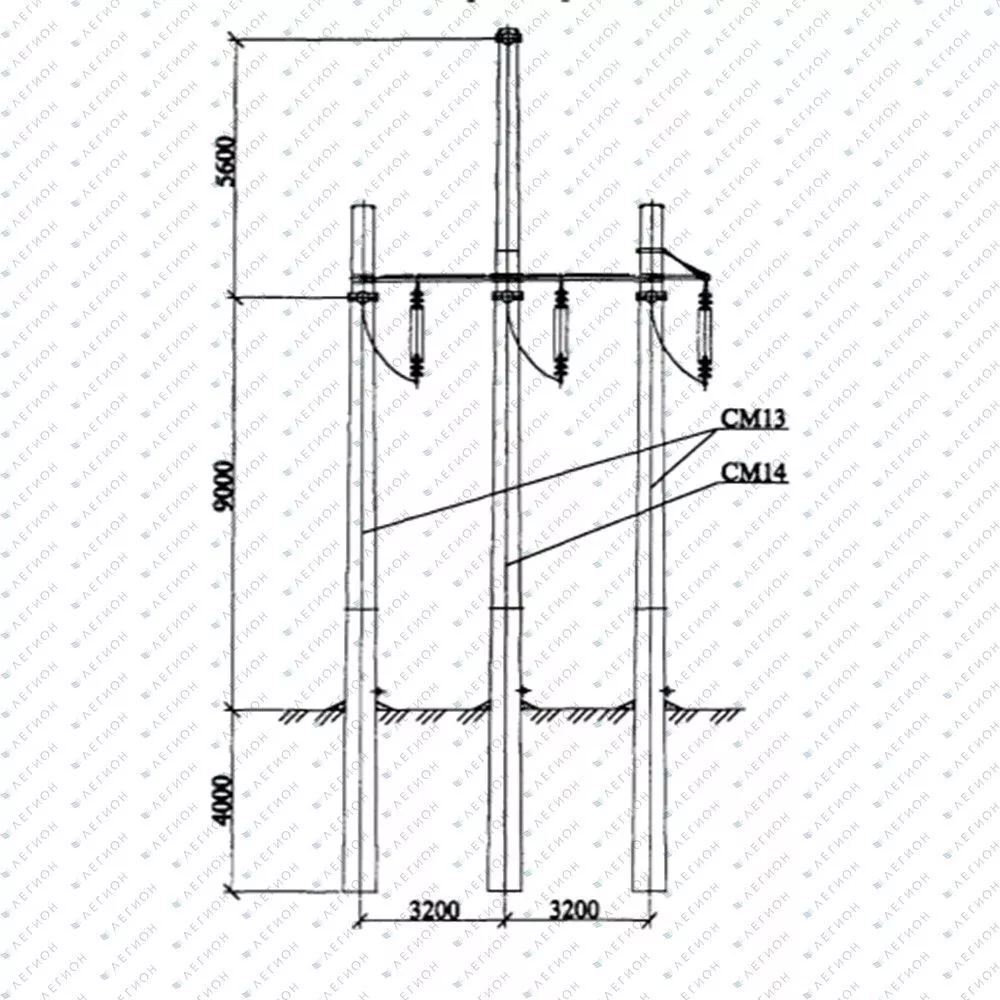
Многогранная опора ЛЭП АМ110-1 представляет собой трехстоечную свободностоящую конструкцию, предназначенную для строительства воздушных линий электропередачи напряжением 110 кВ. Опора выполнена в виде пространственной решетчатой системы из трех граненых стоек диаметром 750 мм в нижней части и 465(403) мм в верхней, соединенных в общий узел на высоте. Общая высота конструкции составляет 11(14,8) метров, при этом высота до нижней траверсы равна 9 метрам. Расстояние между стойками в плане — 3,2 метра. Конструкция оснащена узлом крепления для одного грозотроса и изготавливается из углеродистой стали марки С245, что гарантирует работоспособность при температуре до –40 °С. 

Монтаж опоры осуществляется на заранее подготовленные фундаменты под каждую стойку. Для защиты от коррозии, обеспечивающей исключительную долговечность, вся металлоконструкция подвергается горячему цинкованию по ГОСТ 9.307-2021. Данный тип покрытия является основным и наиболее надежным для ответственных энергетических объектов.

Технические характеристики

Тип
ВЛ 110 кВ по шифру 22.0099
Конструкция
трёхстоечная свободностоящая, с узлом крепления для одного грозотроса
Расстояние между стойками, м
3,2/3,2
Диаметр нижний, мм
750
Диаметр верхний, мм
465/403
Высота, мм
11000/14800
Высота до нижней траверсы, мм
9000
Защитное покрытие
горячее цинкование
Лакокрасочное покрытие
Порошковое / полимерное окрашивание
Срок службы
30 лет
Назначение
анкерная
Класс напряжения, кВ
110

Применение

Опора АМ110-1 предназначена для использования в качестве промежуточной или анкерной опоры на трассах воздушных линий электропередачи класса напряжения 110 киловольт. Конструкция применяется при строительстве и реконструкции магистральных и распределительных ЛЭП. Модель рассчитана для эксплуатации в ветровых районах I–V и гололедных районах I–IV, что определяет ее использование в большинстве климатических зон России. Опоры данного типа являются ключевым элементом энергетической инфраструктуры.

Преимущества практического использования

Трехстоечная свободностоящая конструкция обеспечивает высокую пространственную жесткость и способна воспринимать значительные проектные нагрузки, действующие как вдоль, так и поперек трассы ЛЭП. Применение стали С245 и горячего цинкования гарантирует коррозионную стойкость и срок службы конструкции до 75 лет, что значительно превышает стандартные нормы. Унифицированные геометрические параметры (расстояние между стойками 3,2 м, высоты 11/14,8 м) позволяют эффективно использовать опору в типовых проектах ВЛ 110 кВ. Конструкция рассчитана на работу в широком диапазоне климатических воздействий (ветровые районы I-V, гололедные I-IV), обеспечивая надежность энергоснабжения. Большой диаметр стоек (до 750 мм) в основании гарантирует требуемую устойчивость и несущую способность.

Купить Многогранная опора АМ110-1

Для заказа многогранной опоры ЛЭП АМ110-1 и получения подробных спецификаций обратитесь в отдел продаж НПО «Легион». Наши специалисты предоставят детальные чертежи, подтвердят соответствие нагрузкам вашего проекта и подготовят коммерческое предложение. Мы обеспечим изготовление и поставку опор с гарантией качества покрытия. Для консультации и расчета стоимости звоните по телефону 8(800)500-51-37 или направляйте техническое задание на электронную почту info@legionural.ru.

Похожие товары

Голосов 10 Рейтинг 4.1

Оставить заявку

Оставьте свои контактные данные и мы перезвоним
вам в ближайшее время.

Заявка успешно отправлена!
В ближайшее время наш менеджер свяжется с Вами.
Нажимая кнопку отправить, вы соглашаетесь с нашей политикой конфедециальности
Главная Каталог Заявка Контакты Завод
up